○笠間市宅地造成及び特定盛土等規制法施行細則
令和7年3月31日
規則第2号
(趣旨)
第1条 この規則は、宅地造成及び特定盛土等規制法(昭和36年法律第191号。以下「法」という。)、宅地造成及び特定盛土等規制法施行令(昭和37年政令第16号。以下「政令」という。)及び宅地造成及び特定盛土等規制法施行規則(昭和37年建設省令第3号。以下「省令」という。)の施行に関し、別に定めるもののほか、必要な事項を定めるものとする。
(定義)
第2条 この規則において使用する用語は、法及び政令において使用する用語の例による。
(適用範囲)
第3条 この規則は、法第15条第2項の規定により法第12条第1項の許可を受けたものとみなされた宅地造成又は特定盛土等に関する工事に限り適用する。
(申請書等の提出部数)
第4条 法及びこの規則の規定により市長に提出する申請書及び報告書の提出部数は、1部とする。
(証明書の様式)
第5条 法第24条第2項において準用する法第7条第1項に規定する証明書は、様式第1号によるものとする。
(宅地造成又は特定盛土等に関する工事の中間検査の手続)
第6条 法第18条第1項の規定による中間検査及び同条第2項の規定による中間検査合格証の交付は、法第12条第1項の許可に係る宅地造成又は特定盛土等に関する工事の施行区域を工区に分けて行ったときは、当該工区ごとに行わなければならない。
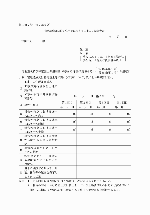
(宅地造成又は特定盛土等に関する工事の定期の報告)
第7条 宅地造成又は特定盛土等に関する工事について、法第19条第1項の規定による報告をしようとする工事主は、当該工事が完了するまでの間、省令第49条に規定する期間ごとに宅地造成又は特定盛土等に関する工事の定期報告書(様式第2号)に、省令第48条第1項に規定する図書を添付して市長に提出しなければならない。
附則
この規則は、令和7年4月1日から施行する。

