○笠間市私道舗装等工事費助成金交付要綱
令和5年3月31日
告示第157号
(趣旨)
第1条 この告示は、公共性の高い私道の整備を促進し、生活環境の改善及び利便性の向上を図るため、私道の舗装等工事を行う者に対して予算の範囲内において笠間市私道舗装等工事費助成金(以下「助成金」という。)を交付することに関して、笠間市補助金等交付規則(平成18年笠間市規則第32号)に定めるもののほか、必要な事項を定めるものとする。
(1) 公道 道路法(昭和27年法律第180号)に規定する道路及び国、地方公共団体その他の公的機関が管理し他の法令により一般交通の用に供されている道路
(2) 私道 公道以外の道路であって、建築基準法(昭和25年法律第201号)第42条第1項第5号に該当する道路
(3) 代表申請者 私道の所有者及び当該私道に接している土地の所有者(以下「沿道地権者」という。)又はこれらの者から委任を受けた者で、当該私道の舗装等工事の事前協議、整備申請その他の手続を行う者
(助成の対象)
第3条 助成の対象となる私道は、次の各号のいずれにも該当するものとする。
(1) 両端又は一端が公道に接道していること。
(2) 道路として30年以上使用され、現に生活の用に供していること。
(3) 幅員が4メートル以上であること。
(4) 沿道に住居が5戸以上あること。
(5) 専ら営利を目的とする事業に使用されていない道路であること。
(6) 私道の所有者、沿道地権者等の関係者総意による工事実施の要望がなされていること。
(7) 私道の境界が明確であること。
(8) 市道として路線認定することが困難であると認められること。
(助成金の額)
第4条 助成金の交付額は、市長が別に定める規準により算定した標準工事費に10分の9を乗じた額とし、1,000円未満の端数が生じたときは、これを切り捨てるものとする。
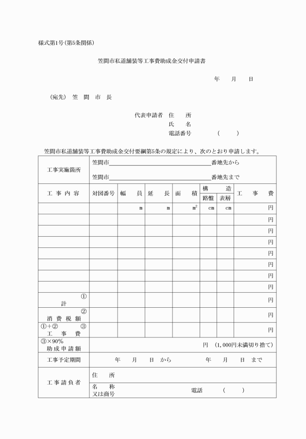
(交付申請)
第5条 助成金の交付を受けようとする者(以下「代表申請者」という。)は、笠間市私道舗装等工事費助成金交付申請書(様式第1号)に次に掲げる書類を添えて市長に提出しなければならない。
(1) 誓約書(様式第2号)
(2) 委任状(様式第3号)
(3) 代表申請者、舗装等工事の助成を受けようとする私道の所有者及び沿道地権者の納税証明書(市税に未納がない証明)
(4) 舗装等工事の助成を受けようとする私道及び当該私道に接している土地の登記全部事項証明書の写し
(5) 位置図
(6) 公図の写し
(7) 施工図
(8) 見積書
(9) その他市長が必要と認める書類
2 前項の申請書の提出期限は、関係書類を添えて当該年度の9月末日までとする。
3 舗装等工事費の算定は、笠間市建設工事等入札参加資格審査規程(平成18年笠間市告示第15号)に基づく入札参加審査を経た業者が設計したものとし、施工についても同業者が行わなければならない。
(完了の届出)
第7条 助成金の交付決定を受けた者は、舗装等工事が完了した日から起算して14日以内又は当該年度の2月末日のいずれか早い日までに私道舗装等工事完了届(様式第6号)を市長に提出しなければならない。
(完了検査)
第8条 市長は、前条の工事完了届の提出を受けた場合は、速やかに現場立会検査を行うものとする。
2 市長は、前項の規定による現場立会検査の結果、助成金交付決定の内容及びこれに付した条件に適合していないと認める場合は、代表申請者に対し手直しを命ずることができる。
(助成金の請求)
第10条 助成金の交付確定を受けた者(以下「事業完了者」という。)は、助成金の交付を請求する場合は、笠間市私道舗装等工事費助成金交付請求書(様式第8号)を市長に提出しなければならない。
(助成金の交付)
第11条 市長は、前条の規定により請求を受けたときは、事業完了者に対し速やかに助成金を交付するものとする。
(私道の維持管理)
第12条 代表申請者は、この告示により舗装等工事を行った私道について、当該道路の機能を損なわないように適正な維持管理に努めるものとする。
2 この告示による舗装整備後、舗装整備に起因した問題が生じた場合には、代表申請者がその問題の解決に当たるものとする。
(損害賠償)
第13条 市長は、私道整備において発生した事故については、その損害賠償の責めを負わないものとする。
(その他)
第14条 この告示に定めるもののほか、必要な事項は、市長が別に定める。
附則
この告示は、令和5年4月1日から施行する。







